Skip to main navigation Skip to main content Skip to page footer

Motion Sensor BW-07

The BW-07 Motion Sensor is based on PIR monitoring technology. Due to the integrated line amplifier, the length of the control line up to the I/O Module or 24V power module can be up to 100m. Thanks to its small design, the Motion Sensor can be easily integrated into devices or luminaires.

Quick Facts

  • Detection range 7.8m x 0.8m (at 1m distance)
  • Range 5m
  • Ideally suited for corridors and narrow long rooms
  • Very compact design
  • Up to 100m cable length to the input module

The ISYGLT BW-07 Motion Sensor is based on passive-infrared monitoring technology. Here, 88 zones are monitored radially via the small rectangular lens. The detection range at a distance of 1m is 7.8m x 0.8m. Due to the integrated line amplifier, the length of the control line up to the I/O Module or 24V power module can be up to 100m. Thanks to its small design, the Motion Sensor can be easily integrated into devices or luminaires.

If required, please enquire about the options for corresponding switch ranges from the various manufacturers.

Type designation BW-07 (sensor only, loose)
Article no. 80087184
Operating voltage 12V to 30V DC
Current consumption max. 10mA without load
Output Vin -1.5V, 200mA short-circuit proof PNP, max. 100m cable length to input module
Connection Spring-loaded terminal 3-pole
Operating temperature -10°C to +50°C
Storage temperature -20°C to +70°C
Humidity 0-85% r.h. non-condensing
Protection class IP20
Design White plastic lens for gluing into devices or luminaires
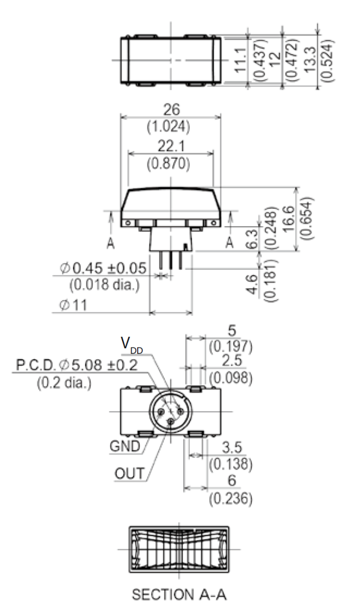
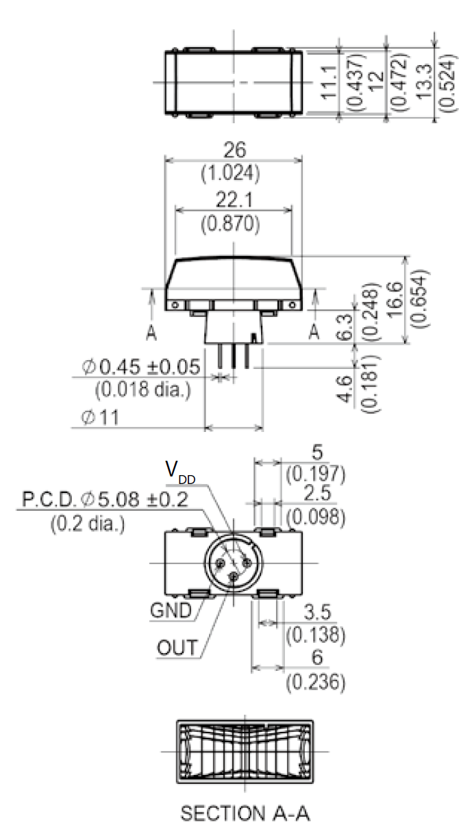
Dimensions 26x11mm (sensor head only)
Weight 11g without flush-mounted cover plate
Brand ISYGLT
Compliance CE

Tender Documents

Instruction Manuals

Wiring Diagrams

Information on the detection range


Pin Assignment

3-pole connection

Ub Operating voltage
0V Operating voltage
OUT Switching output

Additional Equipment

  • 80085032 ISYGLT - LSR ball protection basket for sensor protection

Variants

Type designation Article no. Description
BW-07 80087184 Motion sensor loose, without housing
BW-07-AP 80087184-10 Motion sensor built into the surface-mounted housing

To top